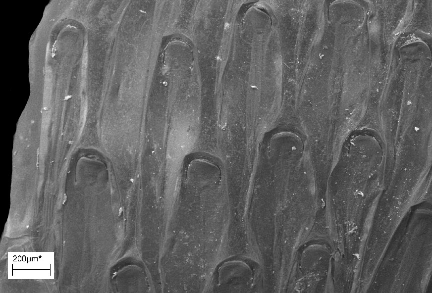
Other SEM images of Isosecuriflustra angusta

Isosecuriflustra angusta (Kluge, 1914)
Recent
NHM...
Stn: 7EV132
Loxton code AAFII
66°34' S, 142°39' E
Depth 139-384 m
Dredge
CEAMARC Expedition
Ship: Aurora Australis
Det. Loxton, Kuklinski
Isosecuriflustra angusta (Kluge, 1914)
Sample 17
King George Island
Admiralty Bay
62° 09,581' S
58° 34,314' W
1x VVG
colled 26/03/2007
Profile A, stn III/3
89 m depth
m/v "Polar Pioneer"
cpt. Evgenij Levakov
colled Jacek Siciński
Det. Kuklinski