Atlas
of Antarctic
Bryozoa
Home
Introduction
What is an bryozoan
Keys
Ilustrated glossary
Bryozoan species list
Bibliography
Acknowledgements
Links
Comments
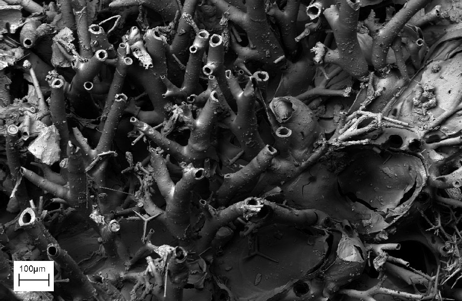
Other SEM images of
Chaperiopsis cervicornis
Chaperiopsis cervicornis
(Busk)
Recent
NHM 1987.2.1.1
Figed: Hayward and Ryland, 1988; p. 49, fig. 1A, B
Discovery Stn WS 1321
Chaperiopsis cervicornis
(Busk)
Recent
NHM 2000.1.14.33
Discovery Stn WS 1321